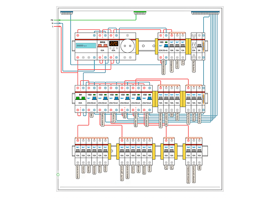
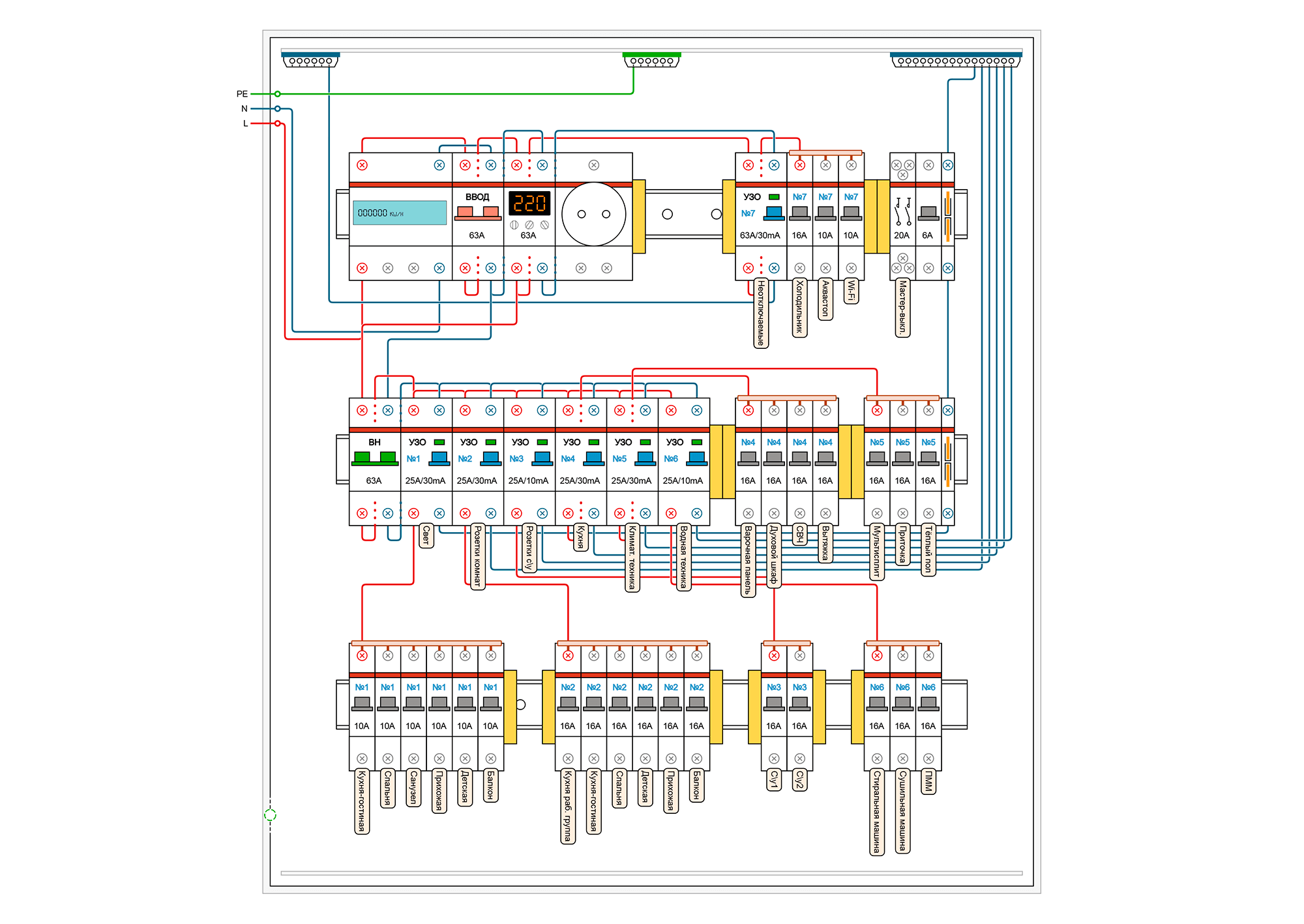
Онлайн программа для проектирования сборочной схемы электрощитка
Remplanner – это удобный онлайн-сервис для подготовки электротехнических проектов жилых и коммерческих помещений, и включает в себя сборочные схемы электрощитков. Программа помогает наглядно сконструировать щит, учесть размещение автоматов, групп и элементов, формировать схемы и использовать их как основу для монтажа и дальнейшей эксплуатации.
Создать новый проект в планировщике






